网站首页  |  公司简介  |  最新动态  |  产品展示  |  在线定购  |  联系我们  |  邮箱登陆
 

概 述
  热风循环烘箱是我公司国内首创产品,经过多次升级换代,达到了国内外先进水平;CT系列为第一代产品,平均热效率达30%左右,采用离心式风机,箱体外循环,手工控温的方式。经多次改造,形成了CT-C系列烘箱该系列全部采用轴流风机,配用了自动恒温控制系统,并备有电脑控制系统供选择。热效率达70%左右,它是利用蒸汽或电为热源,用轴流风机对热交换器对流换热的方式加热空气,热空气层流经过烘盘与物料进行热量传递。新鲜空气从进风口补充,废湿热空气从排湿口排出,不断地补充新鲜空气与不断排出湿热空气,这样来保持烘箱内适当的相对湿度。本系列烘箱的最大特点是部分热风在箱内进行循环,整个循环过程为封闭式,从而增强了传热,节约了能源。
热风循环烘箱主要技术参数及有关说明

一、加热热源有蒸气、电、远红外、电蒸汽两用,供用户选择。

二、使用温度:蒸汽加热50-140℃,最高150℃。                

三、用电、远红外温度50-350℃。

四、备有自控系统和电脑控制系统供用户选择。

五、常用蒸汽压力0.02-0.8Mpa(0.2-8kg/cm2)。

六、配用电加热,按I型计算15KW,实用5-8kw/h。

七、特殊要求在定货时说明。

八、非标烘箱价格面议。

九、使用温度大于140℃或小于60℃,要在订货时注明。

十、本厂出厂烘车、烘盘尺寸统一,可以互换。

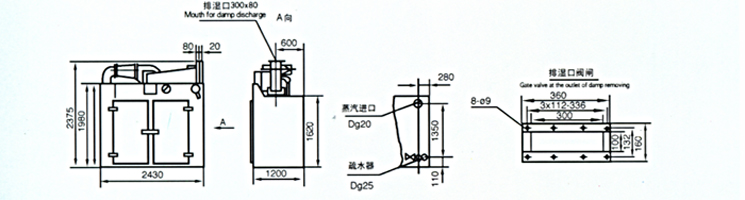
十一、烘盘尺寸:460x640x45(mm)。

应 用 范 围

为通用型干燥设备,适应面较宽,广泛适用于制药、化工、食品、轻工、重工、等行业物料及 产品的加热固化、干燥脱水。如:原料药、生药、中药饮片、粉剂、颗粒、冲剂、大小蜜丸包装瓶、颜料、染料、脱水蔬菜、瓜果干、香肠、塑料树脂、电器原件、烘漆等。

特 点:

 适用范围广,可干燥各种物料,是通用干燥设备。

 大部分热风在箱内循环,热效率高,节约能源。

 利用强制通风作用,箱内设有可调式分风板,物料干燥均匀,热源可采用蒸汽、导热油、电、热水、远红外等,选择广泛。

 温度适应范围大,根据用户要求,可达常温至350℃。

 整机噪音小,运转平稳,温度自控,安装维修方便。

技术参数
行业标准型号
型号规格
每次干燥量(kg)
配用功率(kw)
耗用蒸汽(kg/h)
散热面积(m2)
风量(m3/h)
上下温差
(m2)
配用烘盘(只)
外形尺寸(lxwxh)
配套烘车(辆)
RXH-4-B
CT-I
100
1.1
20
20
3400
±2
48
2430x1200x2375
2
RXH-27-B
CT-II
200
1.1
40
40
5200
±2
96
2430x2200x2433
4
RXH-41-B
CT-III
300
2.2
60
80
9800
±2
144
3430x2200x2620
6
RXH-54-B
CT-IV
400
2.2
80
100
9800
±2
192
4380x2200x2620
8
RXH-5-C
CT-C-O
25
0.45
5
5
3400
±2
16
1550x1000x2044
0
RXH-14-C
CT-C-IA
50
0.45
10
10
3450
±2
24
1400x1200x2000
1
RXH-14-C
CT-C-I
100
0.45
18
20
3450
±2
48
2300x1200x2000
2
RXH-27-C
CT-C-II
200
0.9
36
40
6900
±2
96
2300x2200x2000
4
RXH-41-C
CT-C-III
300
1.35
54
80
10350
±2
144
2300x3220x2000
6
RXH-54-C
CT-C-IV
400
1.8
72
100
13800
±2
192
4460x2200x2290
8
RXH-18-C
CT-C-IB
120
0.9
20
25
6900
±1
48
1460x2160x2250
2
RXH-41-C
CT-C-IS
专用烘瓶
2.2
60
100
6900
±2
1140x6160x3240
6
RXH-25-A
高效高温远红外减菌烘箱
1200x1000x1600
1
CT-I型烘箱示意图
CT-II型烘箱示意图

CT-III型烘箱示意图

CT-IV型烘箱示意图

CT-C-O型烘箱示意图

CT-C-I型烘箱示意图

CT-C-IA型烘箱示意图

CT-C-II型烘箱示意图

CT-C-IIA型烘箱示意图

CT-C-III型烘箱示意图

CT-C-IIIA型烘箱示意图
CT-C-IV型烘箱示意图

高效高温远红外灭菌烘箱

1、使用温度50-40℃。

2、采用远红外石英管作发热元件,热效率高,卫生条件好。

3、采用层间加热,温差小。灭菌时间短。

4、箱内放置定型烘盘(640x460x45)16只。

5、非标尺寸参照用户要求,可制成前后开门。

 
网站首页 | 公司简介 | 最新动态 | 产品展示 | 在线定购 | 联系我们 | 邮箱登陆
版权所有 © 2010 常州市三汇干燥设备有限公司 备案号:苏ICP备2023004354号-1
地址:常州市武进区横山桥镇芳茂村 | EMAIL:565841470@qq.com | 业务咨询:0519-88662308 / 13506122999
| 电话:0519-88662308 / 0519-88603352 | 传真:0519-88603252 / 0519-88603352 | 流量统计: